路燈節能照明控制器是以微處理器技術和現代電力電子技術為基礎開發的高性能產品,能有效的實現降壓及限壓功能,能延長燈具的使用壽命,減少維護費用,降低維護人員的工作量,節能效果。照明控制器規格PT-15KVA、PT-30KVA、PT-70KVA、PT-60KV、PT-100KVA、PT-150KVA、PT-40KVA、PT-50KVA、PT-20KVA、PT-25KVA、PT-120KVA、PT-80KVA、PT-200KVA、PT-125KVA、PT-45KVA、PT-35KVA、PT-300KVA。
節能照明控制器是以微處理器技術和現代電力電子技術為基礎開發的高性能產品,能有效的實現降壓及限壓功能,能延長燈具的使用壽命,減少維護費用,降低維護人員的工作量,節能效果可達10%-45%*,投資少,見效快。
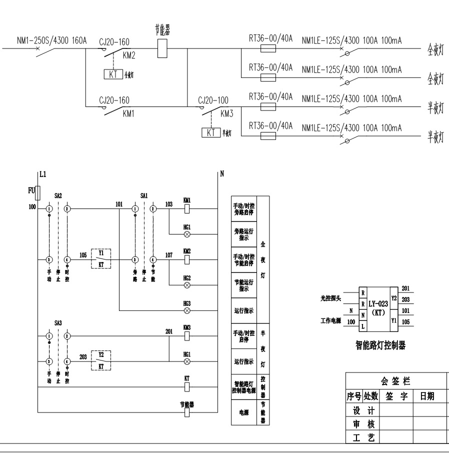
路燈照明控制器接線圖如下

PT系列產品在軟、硬件設計上采用了完善的抗干擾技術、防雷技術、防浪涌技術,符合EMC的標準(GB/T 13926.4-92),產品性能穩定,可長期安全、可靠運行。系列產品具有功率大、體積小,安裝調試簡便,并易于老系統的改造等優點。產品已得到廣泛的應用,且得到用戶的好評。
適用于各類白熾燈、鈉燈、汞燈、鹵素燈、熒光燈(日光燈)等電感式整流器的燈光照明系統。
應用場所:城市路燈、高速公路、市政照明工程、樓宇、公共場所、大型廣告燈牌等。
特性及功能
控制
靈活的可編程控制功能。降壓限壓幅度、開關燈時間任意設定。控制模式有時控、光控、手動控制、上位機遠程控制及根據使用地點的經緯度自動控制。軟啟動、軟過渡、軟關閉功能,防止過電壓及冷啟動大電流對燈具的沖擊,大幅度減少燈具的損毀率。對鈉燈、汞燈等燈具設有可調的全壓預熱啟動時間,燈具能更充分的預熱,平穩過渡到正常工作狀態。能實現全夜燈及半夜燈控制,且有后半夜再降壓調流功能,節能效果更加理想。完善的再起動功能,當負載故障、外部供電故障結束后,能自動重新點燃燈具。控制方式有時控、光控、手動控制、上位機遠程控制及根據使用地點的經緯度自動控制(選件)。三相開關燈時間及輸出電壓可獨立調節,可接不平衡及不同類型的負載。可編程的檢修模式,便于照明系統檢修、維護和燈具更換。預留一組受時鐘控制的常開接點以實現特殊控制。接點容量為7A/250VAC。

保護
完善的防雷、過壓、過熱保護。
三相獨立過載保護,報警提示。
故障報警自動旁路功能,并獎故障信號上傳。
應急照明自動切換功能。某些特殊場合,需要不間斷照明,當主照明回路出現故障,主照明回路自動切換為直流應急供電系統時,控制器自動檢測該變化,并保持照明的不中斷。
斷電數據保護。在系統斷電時,所設定的參數不丟失,且時鐘仍然可以正常準確運行。
界面
全中文界面,菜單式參數設定,層次分明,完善的幫助及故障提示。
四個按鍵實現全部參數設定,操作簡單,使用方便。
運行時顯示三相輸出電壓及電流。
通訊
配有RS485接口,能實現與上位機之間的信息傳輸。可通過上位機設定、修改參數,并能遠程監控系統。
標準Modbus通訊協議(其他協議需另定制)。
通訊速率:9600bit

技術指標
工作電壓:220V±20% AC, 50Hz/60Hz, 220V±20% DC;
額定工作電流(每相的電流): 30A、60A、100A、160A、200A、250A、300A、400A、500A、600A、800A;
電壓設定范圍:170V – 255V;
輸出電壓精度:±15%;
定時精度:±1秒;
時鐘精度:±50ppm;
全壓預熱啟動時間:1-9分鐘可設定;
過載能力:長時間連續過載30%;
冷卻方式:強制風冷;
工作環境:無爆炸性氣體及粉塵的場合
工作環境溫度:-10℃-+55℃(特殊場合需特別聲明)
貯存環境溫度:-55℃-+80℃
相對濕度:≤95%。
 
				 
		 
		 
						 
						 
			 
			 
			 
			

 
           
           
        